REPARACIÓN PRIMARE I-30

REPARACIÓN PRIMARE I-30

Volvemos de vacaciones y nos encontramos con un «hueso duro de roer», un Primare I-30, el cual presenta una distorsión en el canal derecho. Digamos que nos ha pillado en frío … sin tiempo a calentar.
Le conectamos un servidor musical y el efecto es que a muy bajo volumen incluso podríamos decir que suena bien, pero al subir un poco el volumen, notamos como el canal derecho distorsiona hasta el punto de que si subimos más el nivel de audio, la unidad pasa a protección. Empezamos a testear con el generador de BF y enseguida vemos que la salida del canal derecho no tiene nada que ver con el izquierdo. A bajo volumen, como hemos comentado, parece que incluso la salida es correcta, eso sí, con un nivel bastante inferior respecto al otro canal… no funciona correctamente.
La entrada de señal de esta unidad – una vez pasado el selector de fuentes, va a través de un par de Mosfet – recordar este integrado admite tanto señales balanceadas como single end, por lo que tenemos un par de Mosfet. La salida de uno de ellos «parece» normal, pero la otra no, con la particularidad de que incluso esta «señal normal», es infinitamente mayor que la del canal de funciona bien… esto nos lleva a pensar en que tenemos una mala polarización ya en la parte de la entrada, que además recibe una realimentación desde la etapa de salida y también en una configuración «balanceada»,  a través de un circuito integrado, amplificador doble operacional.
Primer paso, sustitución de ambos transistores MOSFET:
Se trata de dos transistores 2SK170, bastante comunes. Con este cambio tenemos una mejoría, pero no lo suficiente como para que funcione correctamente.
Hay que añadir, que la unidad es de configuración doble monofónico, por lo que la única parte «común» es el selector de entradas y el control de volumen.
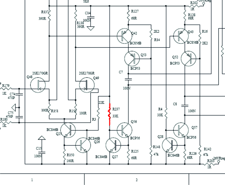
La lectura definitiva es ver como en el conjunto de Q52 y Q53, tenemos una señal perfecta, no así en el conjunto Q56 y Q57, lo que nos refuerza más el tema de polarización incorrecta, más que transistores KO… Testeamos la polarización de este conjunto,  además de la pareja Q27-Q28 y ya apreciamos de que estamos muy cerca… como así es.
La resistencia R237, de 33 K abierta… Se trata de un componente MELF, que su tamaño como se puede apreciar en las imágenes, es realmente pequeño… cambiada y a funcionar.
En la imagen se puede apreciar el cambio de resistencia, en este caso por dos unidades en serie de 1/8 de watio. Las diferencias de tamaño son abismales.
Disponemos de más experiencias de SAT, que poco a poco iremos recopilando para que las podais disfrutar.