MARK LEVINSON Nº 35
MARK LEVINSON Nº 35
En primer lugar nuestras disculpas por nuestros «silencios continuados» en este apartado, que sabemos que a muchos de nuestros seguidores os interesa. Vamos bastante apretados y así como vamos guardando fotos de las diferentes reparaciones que vamos llevando a cabo, en ocasiones nos falta tiempo para su publicación. Así que reiteramos nuestras disculpas.
Curiosa reparación que nos ha tocado efectuar. Concretamente una unidad de la estadounidense Mark & Levinson – de la que somos devotos admiradores – que todo sea dicho, no es de las más populares. Un DAC modelo Nº 35. Incluso en Internet cuesta localizar este modelo, muy curioso, pero que una vez abierto, vemos que es un digno heredero del legendario y premiado 30.5. Incluso en su configuración básica, siguen manteniendo la topología circuital de cuadruple DAC (dos por canal, para que el balanceado sea auténtico balanceado).
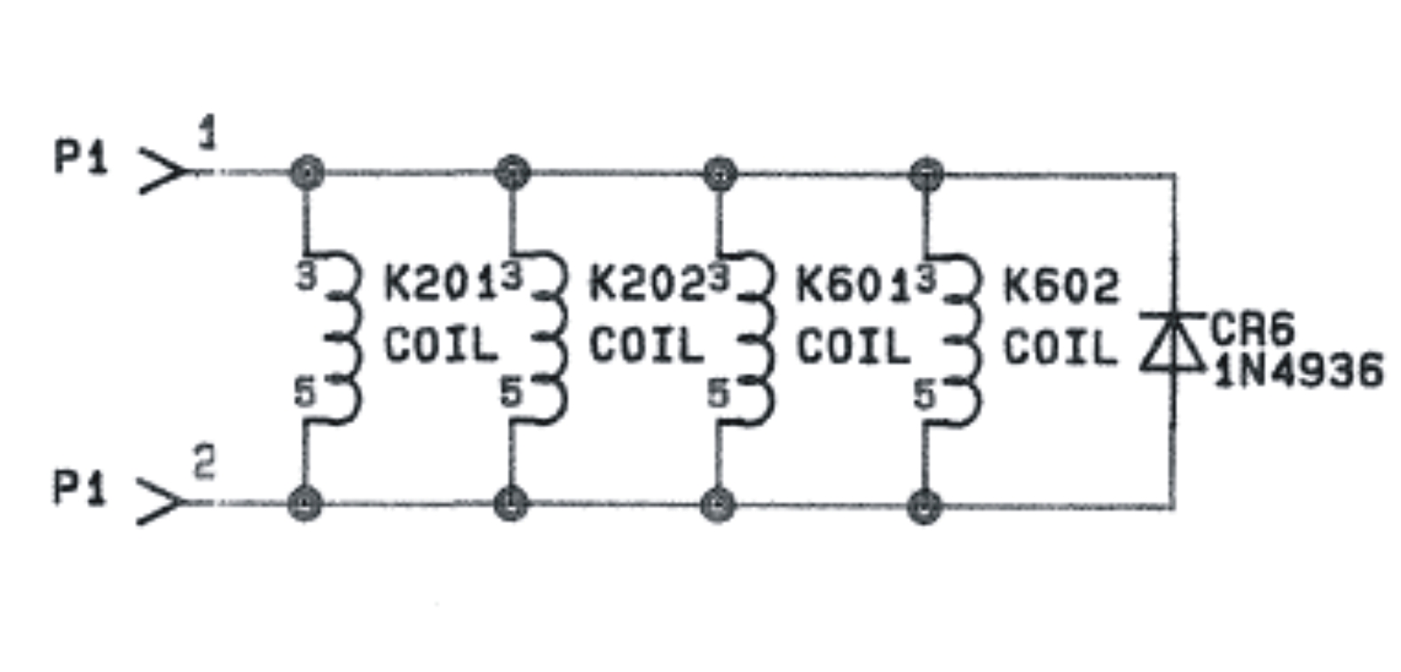
La unidad no arrancaba correctamente. Alguien la había manipulado colocando un tornillo en un lugar de la placa donde lo que hacía era un cortocircuito que había destruido una resistencia de alimentación. Se pudo comprobar con la otra parte del DAC [Mark Levinson, siempre trabaja con configuración doble monofónica, hasta en la alimentación], por lo que se pudo comprobar como este tornillo no iba colocado es este poste, que va conectado a masa. Otro de los handicaps para medir, es que las masas no son comunes, cada canal lleva su masa por separado, así como la alimentación general. Una vez solventado este problema teníamos otro, la unidad arrancaba, funcionaba, detectaba señal de entrada, que la podíamos monitorizar en la salida digital de la unida que enviada a otro DAC externo obteníamos sonido. Es decir, se «muteaba» por alguna parte.

Aquí podemos ver como el Relé K202 lo que hace realmente es enviar la señal a masa, por lo tanto aunque tengamos señales en el DAC, éste trabaje correctamente, nunca tendremos señal en las correspondientes salidas a no ser que el circuito de «mute» trabaje totalmente liberado. Ahí residía esta segunda parte de la avería. El DAC trabajaba correctamente y teníamos señal en ambos canales, pero no en la salida, el mute se lo impedía. Vuelta a empezar a buscar. Y las informaciones de M&L son bastante complicadas de seguir.
